FG24 - Rohde AG | Aluminum, stainless steel and plastic handles
  • Two FG24 functional handles for automation, one with single push button and aluminum shaft, the other with two push buttons and black shaft, with IO-Link logo on the left
  • Two IO-Link capable handles FG24-01 and FG24-02 with push buttons and LED ring lights, next to smaller images of a labeled start button and a counter handle without switching elements
Two FG24 functional handles for automation, one with single push button and aluminum shaft, the other with two push buttons and black shaft, with IO-Link logo on the left
Two IO-Link capable handles FG24-01 and FG24-02 with push buttons and LED ring lights, next to smaller images of a labeled start button and a counter handle without switching elements

Handles FG24

IO-Link capable handle with easy integration of push button and LED ring into the communication system.

Material and surface:
Handle shanks made of polyamide PA6 in black with fine structure. Connecting ledge made of profiled aluminum AlMgSi 0.5; glass bead blasted and anodized in black or natural color.

Function elements:

FG24-01:
Push button (NO contact) with green ring light.

FG24-02: 
Push button 1 (NO contact) with green ring light.
Push button 2 (NO contact) with red ring light.

FG24-00: 
Counter handle without switching elements.

Connection:
4-pin connector in the mounting surface of the shank.

Protection class:
IP 54 with coupling screwed on.

Note:
Other handle lengthsand other LED colors upon request.

show more show less
  • handle lengths customized
  • button assignment according to customer requirements
  • button / LED colors according to customer specifications
  • labeling possible
  • further color versions
show more show less
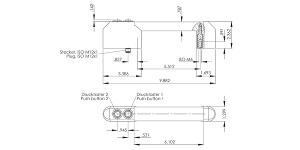
Technical drawing showing side and top views of FG24 handle with push buttons and detailed dimensions
Unit of measure
Type
Product Type Description A Anodizing version natural-colored with satin finish
Order-No.
Anodized aluminum black with satin finish
Order-No.
Product Type Description A Anodizing version natural-colored with satin finish
Order-No.
Anodized aluminum black with satin finish
Order-No.
Product Type FG24-00 Description without operating elements A 100 Anodizing version natural-colored with satin finish
Order-No.
VM-02.30.100.S11 3D+CAD
Anodized aluminum black with satin finish
Order-No.
VM-02.30.100.S14 3D+CAD
Product Type FG24-00 Description without operating elements A 140 Anodizing version natural-colored with satin finish
Order-No.
VM-02.30.140.S11 3D+CAD
Anodized aluminum black with satin finish
Order-No.
VM-02.30.140.S14 3D+CAD
Product Type FG24-00 Description without operating elements A 250 Anodizing version natural-colored with satin finish
Order-No.
VM-02.30.250.S11 3D+CAD
Anodized aluminum black with satin finish
Order-No.
VM-02.30.250.S14 3D+CAD
Product Type FG24-00 Description without operating elements A 400 Anodizing version natural-colored with satin finish
Order-No.
VM-02.30.400.S11 3D+CAD
Anodized aluminum black with satin finish
Order-No.
VM-02.30.400.S14 3D+CAD
Product Type FG24-01 Description 1 push button A 100 Anodizing version natural-colored with satin finish
Order-No.
FG24-01.IOL.100.11 3D+CAD
Anodized aluminum black with satin finish
Order-No.
FG24-01.IOL.100.14 3D+CAD
Product Type FG24-01 Description 1 push button A 140 Anodizing version natural-colored with satin finish
Order-No.
FG24-01.IOL.140.11 3D+CAD
Anodized aluminum black with satin finish
Order-No.
FG24-01.IOL.140.14 3D+CAD
Product Type FG24-01 Description 1 push button A 250 Anodizing version natural-colored with satin finish
Order-No.
FG24-01.IOL.250.11 3D+CAD
Anodized aluminum black with satin finish
Order-No.
FG24-01.IOL.250.14 3D+CAD
Product Type FG24-01 Description 1 push button A 400 Anodizing version natural-colored with satin finish
Order-No.
FG24-01.IOL.400.11 3D+CAD
Anodized aluminum black with satin finish
Order-No.
FG24-01.IOL.400.14 3D+CAD
Product Type FG24-02 Description 2 push buttons A 100 Anodizing version natural-colored with satin finish
Order-No.
FG24-02.IOL.100.11 3D+CAD
Anodized aluminum black with satin finish
Order-No.
FG24-02.IOL.100.14 3D+CAD
Product Type FG24-02 Description 2 push buttons A 140 Anodizing version natural-colored with satin finish
Order-No.
FG24-02.IOL.140.11 3D+CAD
Anodized aluminum black with satin finish
Order-No.
FG24-02.IOL.140.14 3D+CAD
Product Type FG24-02 Description 2 push buttons A 250 Anodizing version natural-colored with satin finish
Order-No.
FG24-02.IOL.250.11 3D+CAD
Anodized aluminum black with satin finish
Order-No.
FG24-02.IOL.250.14 3D+CAD
Product Type FG24-02 Description 2 push buttons A 400 Anodizing version natural-colored with satin finish
Order-No.
FG24-02.IOL.400.11 3D+CAD
Anodized aluminum black with satin finish
Order-No.
FG24-02.IOL.400.14 3D+CAD
Handle accessories
Length Coupling 4-pole (M12 x 1)
Order-No.
Length Coupling 4-pole (M12 x 1)
Order-No.
Length 10m Coupling angled 4-pole (M12 x 1)
Order-No.
FZ-KS.W04.10
TG-R stainless steel handle with M12 x 1 plug connection and black grip Length 10m Coupling straight / axial 4-pole (M12 x 1)
Order-No.
FZ-KS.G04.10
Technical data table showing specifications for FG24-01 and FG24-02 including electrical connections, operating voltage at 24V DC, current carrying capacity 200 mA DC, voltage drop 1.5V, short circuit protection and overload proof in German and English, with connector diagram and mounting cutout dimensions.

Contact us

Rohde AG

Industriestrasse 9
D - 37176 Nörten-Hardenberg

Tel.: +49 (0) 5503 9860-0
Fax: +49 (0) 5503 9860-11

info@rohde-technics.com

 

Opening hours (CET)
Mon. - Thur. 07.15 - 15.45
Fri. 07.15 - 15.30