FG23 - Rohde AG | Griffe aus Aluminium, Edelstahl und Kunststoff
  • Zwei FG23 Funktionsgriffe mit Drucktastern, einer silberfarben mit einem Taster, der andere schwarz mit zwei Tastern, vor weißem Hintergrund mit ASi-Logo
  • Schwarzer Gegengriff mit silbernem Aluminiumgriffprofil und schwarzen Kunststoffenden
Zwei FG23 Funktionsgriffe mit Drucktastern, einer silberfarben mit einem Taster, der andere schwarz mit zwei Tastern, vor weißem Hintergrund mit ASi-Logo
Schwarzer Gegengriff mit silbernem Aluminiumgriffprofil und schwarzen Kunststoffenden

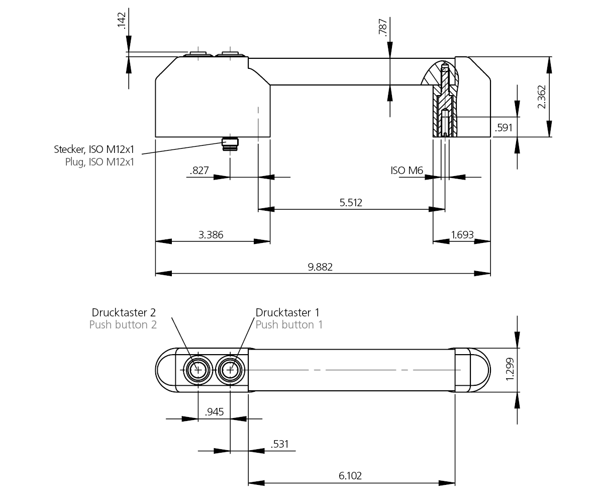
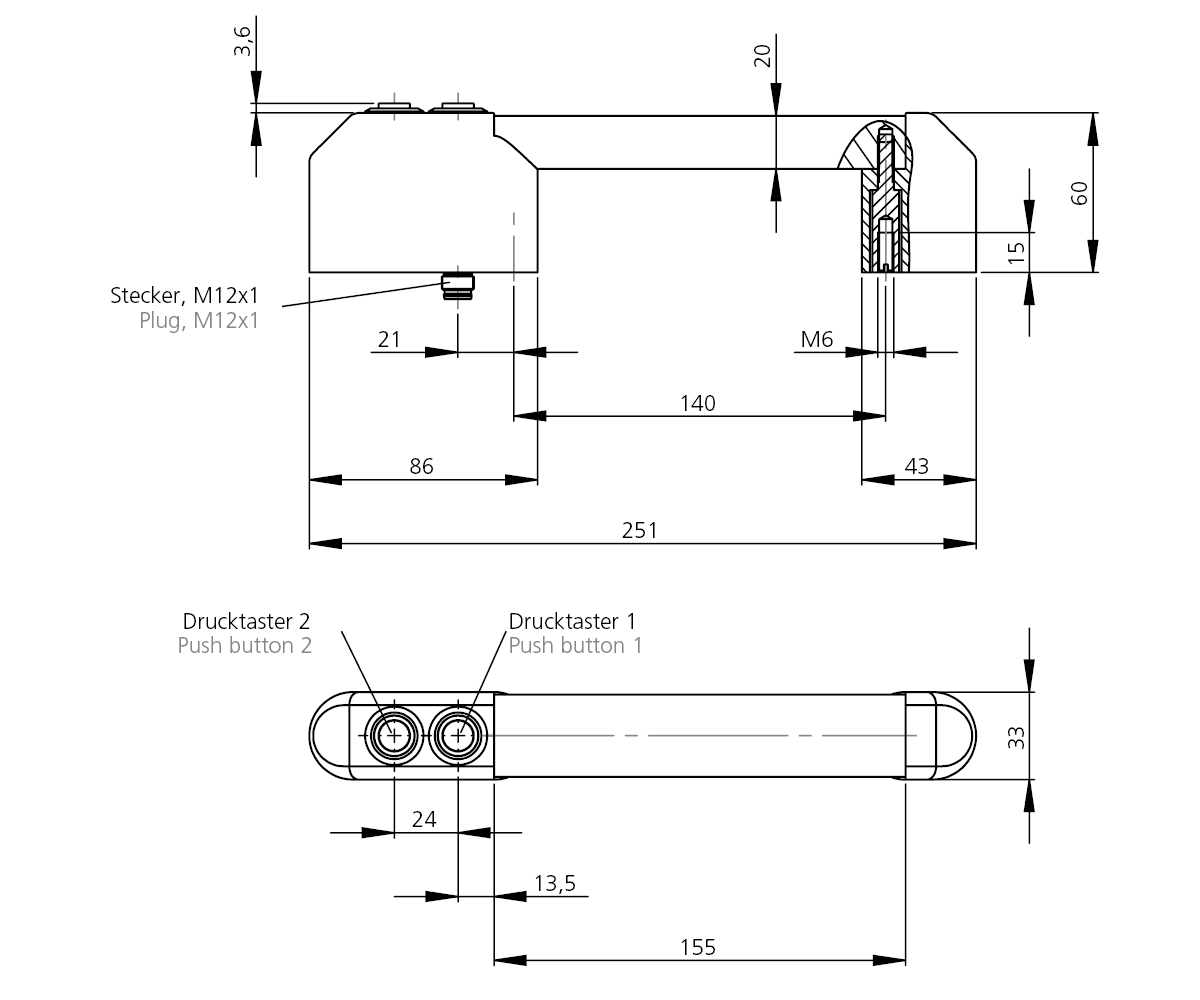
Funktionsgriffe FG23

AS-Interface fähiger Griff mit einfacher Implementierung von Drucktaster und LED-Ring an die übergeordnete Steuerung.

Werkstoff und Oberläche:
Griffschenkel aus Polyamid PA6 in schwarz mit Feinstruktur. Verbindungssteg aus Profilaluminium AlMgSi 0,5; glaskugelgestrahlt und naturfarben oder schwarz eloxiert.

Funktionselemente:

FG23-01: 
Drucktaster 1 (Schließer) mit grüner Ringbeleuchtung.

FG23-02:
Drucktaster 1 (Schließer) mit grüner Ringbeleuchtung.
Drucktaster 2 (Schließer) mit roter Ringbeleuchtung.

FG23-00: 
Gegengriff ohne Schaltlemente.

Anschluss:
4-poliger Stecker in derAnschraubfläche des Griffschenkels.

Schutzart:
IP 54 bei aufgeschraubter Kupplung.

Hinweis:
Beliebige Grifflängen und andere LED-Farben auf Anfrage.

mehr anzeigen weniger anzeigen
  • Grifflängen kundenspezifisch
  • Tasterbelegung nach Kundenwunsch
  • Taster / LED Farben nach Kundenvorgabe
  • Beschriftung möglich
  • weitere Farbausführungen
mehr anzeigen weniger anzeigen
Maßeinheit
Typ
Produkt Typ Beschreibung A Aluminium eloxiert glänzend naturfarben
Bestell-Nr.
Aluminium eloxiert glänzend schwarz
Bestell-Nr.
Produkt Typ Beschreibung A Aluminium eloxiert glänzend naturfarben
Bestell-Nr.
Aluminium eloxiert glänzend schwarz
Bestell-Nr.
Produkt Typ FG23-00 Beschreibung ohne Bedienelemente A 100 Aluminium eloxiert glänzend naturfarben
Bestell-Nr.
VM-02.30.100.S11 3D+CAD
Aluminium eloxiert glänzend schwarz
Bestell-Nr.
VM-02.30.100.S14 3D+CAD
Produkt Typ FG23-00 Beschreibung ohne Bedienelemente A 140 Aluminium eloxiert glänzend naturfarben
Bestell-Nr.
VM-02.30.140.S11 3D+CAD
Aluminium eloxiert glänzend schwarz
Bestell-Nr.
VM-02.30.140.S14 3D+CAD
Produkt Typ FG23-00 Beschreibung ohne Bedienelemente A 250 Aluminium eloxiert glänzend naturfarben
Bestell-Nr.
VM-02.30.250.S11 3D+CAD
Aluminium eloxiert glänzend schwarz
Bestell-Nr.
VM-02.30.250.S14 3D+CAD
Produkt Typ FG23-00 Beschreibung ohne Bedienelemente A 400 Aluminium eloxiert glänzend naturfarben
Bestell-Nr.
VM-02.30.400.S11 3D+CAD
Aluminium eloxiert glänzend schwarz
Bestell-Nr.
VM-02.30.400.S14 3D+CAD
Produkt Typ FG23-01 Beschreibung 1 Drucktaster A 100 Aluminium eloxiert glänzend naturfarben
Bestell-Nr.
FG23-01ASI.100.11 3D+CAD
Aluminium eloxiert glänzend schwarz
Bestell-Nr.
FG23-01ASI.100.14 3D+CAD
Produkt Typ FG23-01 Beschreibung 1 Drucktaster A 140 Aluminium eloxiert glänzend naturfarben
Bestell-Nr.
FG23-01ASI.140.11 3D+CAD
Aluminium eloxiert glänzend schwarz
Bestell-Nr.
FG23-01ASI.140.14 3D+CAD
Produkt Typ FG23-01 Beschreibung 1 Drucktaster A 250 Aluminium eloxiert glänzend naturfarben
Bestell-Nr.
FG23-01ASI.250.11 3D+CAD
Aluminium eloxiert glänzend schwarz
Bestell-Nr.
FG23-01ASI.250.14 3D+CAD
Produkt Typ FG23-01 Beschreibung 1 Drucktaster A 400 Aluminium eloxiert glänzend naturfarben
Bestell-Nr.
FG23-01ASI.400.11 3D+CAD
Aluminium eloxiert glänzend schwarz
Bestell-Nr.
FG23-01ASI.400.14 3D+CAD
Produkt Typ FG23-02 Beschreibung 2 Drucktaster A 100 Aluminium eloxiert glänzend naturfarben
Bestell-Nr.
FG23-02ASI.100.11 3D+CAD
Aluminium eloxiert glänzend schwarz
Bestell-Nr.
FG23-02ASI.100.14 3D+CAD
Produkt Typ FG23-02 Beschreibung 2 Drucktaster A 140 Aluminium eloxiert glänzend naturfarben
Bestell-Nr.
FG23-02ASI.140.11 3D+CAD
Aluminium eloxiert glänzend schwarz
Bestell-Nr.
FG23-02ASI.140.14 3D+CAD
Produkt Typ FG23-02 Beschreibung 2 Drucktaster A 250 Aluminium eloxiert glänzend naturfarben
Bestell-Nr.
FG23-02ASI.250.11 3D+CAD
Aluminium eloxiert glänzend schwarz
Bestell-Nr.
FG23-02ASI.250.14 3D+CAD
Produkt Typ FG23-02 Beschreibung 2 Drucktaster A 400 Aluminium eloxiert glänzend naturfarben
Bestell-Nr.
FG23-02ASI.400.11 3D+CAD
Aluminium eloxiert glänzend schwarz
Bestell-Nr.
FG23-02ASI.400.14 3D+CAD
Griff-Zubehör
Länge Kupplung Ausführung 4-polig (M12 x 1)
Bestell-Nr.
Länge Kupplung Ausführung 4-polig (M12 x 1)
Bestell-Nr.
Nahaufnahme eines rechteckigen Funktionsgriffs TG-R mit Edelstahlgehäuse und rückseitigem M12-Stecker Länge 1,5m Kupplung Ausführung abgewinkelt 4-polig (M12 x 1)
Bestell-Nr.
FZ-KS.W04.1,5
Länge 1,5m Kupplung Ausführung gerade / axial 4-polig (M12 x 1)
Bestell-Nr.
FZ-KS.G04.1,5

Zuletzt angesehene Artikel

Kontaktieren Sie uns

Rohde AG

Industriestrasse 9
D - 37176 Nörten-Hardenberg

Tel.: +49 (0) 5503 9860-0
Fax: +49 (0) 5503 9860-11

 
info@rohde-technics.com

 

Öffnungszeiten
Mo.–Do. 07.15–15.45 Uhr
Fr. 07.15–15.30 Uhr