Werkstoff und Oberfläche:
Griffschenkel aus Polyamid PA6, glaskugelverstärkt in schwarz mit Feinstruktur. Verbindungssteg aus Profilaluminium AlMgSi 0,5; glaskugelgestrahlt und naturfarben eloxiert.
Funktionselemente :
FG18-01
Drucktaster (Wechsler) mit grüner Ringbeleuchtung.
FG18-02
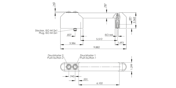
Drucktaster 1 (Wechsler) mit grüner Ringbeleuchtung.
Drucktaster 2 (Wechsler) mit roter Ringbeleuchtung.
FG18-00
Gegengriff ohne Bedienelemente.
Anschluss:
8-poliger bzw. 12-poliger Stecker in der Anschraubfläche des Griffschenkels.
Schutzart:
IP 54 bei aufgeschraubter Kupplung.
Hinweis:
Beliebige Grifflängen und andere Bedienelemente auf Anfrage.
                                                
                                                | 
                                             
                                                    Maßeinheit
                                                    
                                                 
                                             | 
                                    ||
|---|---|---|
| Produkt Typ | Beschreibung | Bestell-Nr. | 
| Griff-Zubehör | ||||
|---|---|---|---|---|
| Länge | Kupplung Ausführung | 
                                                                                                                                                            
                                                            8-polig (M12 x 1)
                                                        
                                                                                                         Bestell-Nr.  | 
                                                                                    
                                                                                                                                                            
                                                            12-polig (M12 x 1)
                                                        
                                                                                                         Bestell-Nr.  | 
                                                                                                                                                |
| Länge | Kupplung Ausführung | 
                                                                                                                        
                                                            8-polig (M12 x 1)
                                                        
                                                                                 Bestell-Nr.  | 
                                                            
                                                                                                                        
                                                            12-polig (M12 x 1)
                                                        
                                                                                 Bestell-Nr.  | 
                                                                                                |
|---|---|---|---|---|
| 
                                        
                                                                                                                                                                                    
                                                     | 
                                
                                                                                                            Länge 10m | Kupplung Ausführung abgewinkelt | 
                                                                                        
                                                                                                                                                            8-polig (M12 x 1)
                                                                                                         Bestell-Nr. FZ-KS.W08.10  | 
                                                                            
                                                                                        
                                                                                                                                                            12-polig (M12 x 1)
                                                                                                         Bestell-Nr. FZ-KS.W12.10  | 
                                                                    
                                                            
| 
                                        
                                                                                                                                                                                    
                                                     | 
                                
                                                                                                            Länge 10m | Kupplung Ausführung gerade / axial | 
                                                                                        
                                                                                                                                                            8-polig (M12 x 1)
                                                                                                         Bestell-Nr. FZ-KS.G08.10  | 
                                                                            
                                                                                        
                                                                                                                                                            12-polig (M12 x 1)
                                                                                                         Bestell-Nr. FZ-KS.G12.10  | 
                                                                    
                                                            
Industriestrasse 9
D - 37176 Nörten-Hardenberg
Tel.: +49 (0) 5503 9860-0 
Fax: +49 (0) 5503 9860-11