FG12-LL - Rohde AG | Griffe aus Aluminium, Edelstahl und Kunststoff
  • Handlicher Funktionsgriff FG12-LL mit grünem Drucktaster, Aluminium-Griffsteg und schwarzen Polyamid-Endstücken
  • Zwei kompakte Funktionsgriffe FG12-LL mit beleuchtetem Griffsteg, einer in grün und einer in rot, auf weißem Hintergrund
Handlicher Funktionsgriff FG12-LL mit grünem Drucktaster, Aluminium-Griffsteg und schwarzen Polyamid-Endstücken
Zwei kompakte Funktionsgriffe FG12-LL mit beleuchtetem Griffsteg, einer in grün und einer in rot, auf weißem Hintergrund

Funktionsgriffe FG12-LL

Kompakter Funktionsgriff mit dreifarbig beleuchtbarem Griffsteg. Die LED-Farben rot, gelb und grün können beispielsweise genutzt werden, um den jeweiligen Betriebszustand der Maschine anzuzeigen.

Werkstoff und Oberfläche:
Griffschenkel aus Polyamid PA6, schwarz mit Feinstruktur. Griffsteg aus stranggepreßtem Aluminium-Ovalprofil AlMgSi 0,5; glaskugelgestrahlt und naturfarben eloxiert.
Beleuchtbarer Kunststoffeinleger aus transluzentem PMMA.

Funktionselemente:
1 Drucktaster, ausgeführt als Wechsler.

Anschluss:
Anschlussleitung 5m aus Anschraubfläche des Griffschenkels herausgeführt. Ausführung mit 8-poligem Stecker auf Anfrage.

Hinweis:
Andere Grifflängen und Drucktasterbelegung, sowie weiße Griffstegbeleuchtung auf Anfrage.

mehr anzeigen weniger anzeigen
  • Grifflängen kundenspezifisch
  • Tasterbelegung nach Kundenwunsch
  • Taster / LED Farben nach Kundenvorgabe
  • weitere Anschlussmöglichkeiten
  • Beschriftung möglich
  • weitere Farbausführungen
mehr anzeigen weniger anzeigen
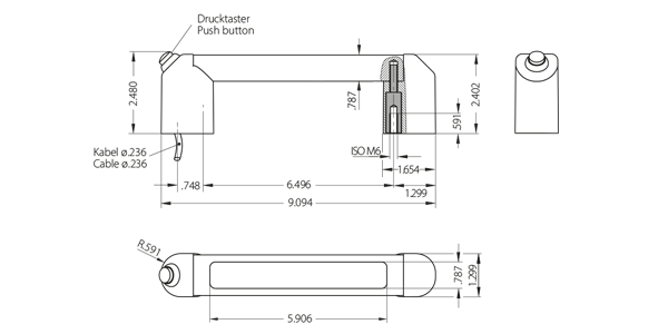
Technische Zeichnung eines Funktionsgriffs mit Drucktaster und Anschlusskabel, die Maße und Querschnitt zeigen.
Maßeinheit
Produkt Typ Beschreibung A L Bestell-Nr.
Produkt Typ Beschreibung A L Bestell-Nr.
Produkt Typ FG12-LL10 Beschreibung ohne Drucktaster mit LED-Beleuchtung A 160 L 232 Bestell-Nr. FG12-LL10.165.11 3D+CAD
Produkt Typ FG12-LL11 Beschreibung 1 Drucktaster und LED-Beleuchtung A 160 L 232 Bestell-Nr. FG12-LL11.165.11 3D+CAD

Kontaktieren Sie uns

Rohde AG

Industriestrasse 9
D - 37176 Nörten-Hardenberg

Tel.: +49 (0) 5503 9860-0
Fax: +49 (0) 5503 9860-11

 
info@rohde-technics.com

 

Öffnungszeiten
Mo.–Do. 07.15–15.45 Uhr
Fr. 07.15–15.30 Uhr