FG10 - Rohde AG | Griffe aus Aluminium, Edelstahl und Kunststoff
  • Maschinengriff FG10 mit Edelstahlrohr, zwei silbernen Drucktastern in schwarzem Gehäuse und rotem Not-Halt-Knopf oben | © Rohde AG
Maschinengriff FG10 mit Edelstahlrohr, zwei silbernen Drucktastern in schwarzem Gehäuse und rotem Not-Halt-Knopf oben | © Rohde AG

Funktionsgriffe FG10

Maschinengriff mit ringbeleuchteten Drucktastern für Schaltfunktionen und verschiebbaren Griffschenkeln.

Werkstoff und Oberfläche:
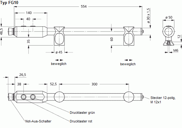
Griffsteg aus Edelstahlrohr Ø30x1,5 mm, Werkstoff-Nr. 1.4301, feingeschliffen. Drucktastergehäuse aus Aluminium AlMgSi 0,5; schwarz eloxiert. Griffschenkel aus Polyamid PA6, schwarz mit Feinstruktur.

Funktionselemente:
2 Drucktaster bis 1A mit roter bzw. grüner Ringbeleuchtung. Andere LED-Farben auf Anfrage. Typ FG10-05 zusätzlich mit Not-Halt (2 Öffner).

Schutzart:
IP 54 bei aufgeschraubter Kupplung.

Anschluß:
8 oder 12-polig, Kupplung mit 10m fertig konfektionierter Leitung lieferbar.

Hinweis:
Andere Grifflängen, Laserbeschriftung unterhalb der Drucktaster, sowie beleuchtetem Not-Halt auf Anfrage.

mehr anzeigen weniger anzeigen
  • Grifflängen kundenspezifisch
  • Tasterbelegung nach Kundenwunsch
  • Taster / LED Farben nach Kundenvorgabe
  • weitere Anschlussmöglichkeiten
  • Beschriftung möglich
  • weitere Farbausführungen
mehr anzeigen weniger anzeigen
Technische Zeichnung des Funktionsgriffs FG10 mit Bemaßungen und Markierungen der Drucktaster, Not-Aus-Schalter und beweglichen Griffschenkel
Technische Zeichnung des Maschinengriffs FG10 mit Maßen, beweglichen Griffschenkeln und markierten ringbeleuchteten Drucktastern, einschließlich Not-Halt-Schalter.
Maßeinheit
Produkt Typ Beschreibung Bestell-Nr.
Produkt Typ Beschreibung Bestell-Nr.
Produkt Typ FG10-00 Beschreibung Gegengriff ohne Funktion Bestell-Nr. FG10-00.300.37 3D+CAD
Produkt Typ FG10-02 Beschreibung mit 2 Drucktastern, ohne Not-Aus Bestell-Nr. FG10-02.300.37 3D+CAD
Produkt Typ FG10-05 Beschreibung mit 2 Drucktastern, mit Not-Aus Bestell-Nr. FG10-05.300.37 3D+CAD
Griff-Zubehör
Länge Kupplung Ausführung 8-polig (M12 x 1)
Bestell-Nr.
12-polig (M12 x 1)
Bestell-Nr.
Länge Kupplung Ausführung 8-polig (M12 x 1)
Bestell-Nr.
12-polig (M12 x 1)
Bestell-Nr.
Abgewinkelter schwarzer Aluminium-Drucktasterstecker mit Metallkupplung und Anschlusskabel Länge 10 m Kupplung Ausführung abgewinkelt 8-polig (M12 x 1)
Bestell-Nr.
FZ-KS.W08.10
12-polig (M12 x 1)
Bestell-Nr.
FZ-KS.W12.10
Schwarzer Funktionsgriff FG10 mit ringbeleuchteten Drucktastern und Anschlusskupplung Länge 10m Kupplung Ausführung gerade / axial 8-polig (M12 x 1)
Bestell-Nr.
FZ-KS.G08.10
12-polig (M12 x 1)
Bestell-Nr.
FZ-KS.G12.10
Technische Daten Tabelle für den Funktionsgriff FG10 mit Details zu Not-Halt, Drucktastern LED rot und grün, Betriebsspannung, Anschlussart und Steckerbelegung in deutscher und englischer Sprache.

Kontaktieren Sie uns

Rohde AG

Industriestrasse 9
D - 37176 Nörten-Hardenberg

Tel.: +49 (0) 5503 9860-0
Fax: +49 (0) 5503 9860-11

 
info@rohde-technics.com

 

Öffnungszeiten
Mo.–Do. 07.15–15.45 Uhr
Fr. 07.15–15.30 Uhr